Profil c-115°- Niedogięty
Materiał: Nasze profile możemy wykonać z: stali czarnej, stali ocynkowanej, stali nierdzewnej, stali kwasoodpornej, metali kolorowych i ich stopów.
Zastosowania: Profile C-115° możemy wykorzystać jako elementy konstrukcji stalowych tj. konstrukcji fotowoltaicznych, konstrukcji hal przemysłowych, konstrukcji garażów.
Perforacje:
Profile C-115° umożliwiają łatwą budowę hal przemysłowych
i usługowych. Łączenie ich odbywa się za pomocą śrub. W tym celu przewidziano wykonanie otworów w dowolnym miejscu i na każdej stronie.
| Okrągłe (mm) | Fasolka (mm) |
|---|---|
| 8.2 | 8.2×40 |
| 9 | 9×20 |
| 13 | 9×35 |
| – | 13×50 |
W – średnica otworu
Z x Y – długość otworu (Z) x szerokość otworu (Y)
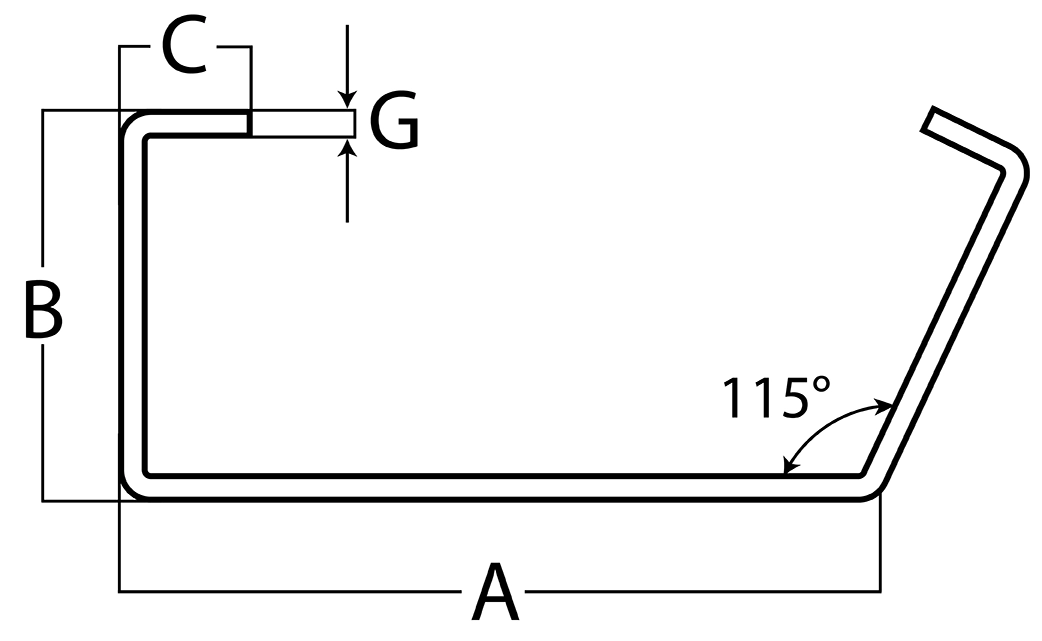
Poznaj nasze Profile:
| Profil | A (mm) | B (mm) | C (mm) | G (mm) | Waga mb (kg) |
|---|---|---|---|---|---|
| C-115° 80x50x15 | 80 | 50 | 15 | 1.5 | 2.29 |
| C-115° 80x50x15 | 80 | 50 | 15 | 2 | 3.05 |
| C-115° 80x50x15 | 80 | 50 | 15 | 2.5 | 3.81 |
| C-115° 80x50x15 | 80 | 50 | 15 | 3 | 4.57 |
| C-115° 80x50x20 | 80 | 50 | 20 | 1.5 | 2.44 |
| C-115° 80x50x20 | 80 | 50 | 20 | 2 | 3.25 |
| C-115° 100x50x20 | 100 | 50 | 20 | 1.5 | 2.61 |
| C-115° 100x50x20 | 100 | 50 | 20 | 2 | 3.47 |
| C-115° 100x50x20 | 100 | 50 | 20 | 2.5 | 4.34 |
| C-115° 100x50x20 | 100 | 50 | 20 | 3 | 5.21 |
| C-115° 120x50x20 | 120 | 50 | 20 | 1.5 | 2.91 |
| C-115° 120x50x20 | 120 | 50 | 20 | 2 | 3.88 |
| C-115° 120x50x20 | 120 | 50 | 20 | 2.5 | 4.85 |
| C-115° 120x60x20 | 120 | 60 | 20 | 1.5 | 3.15 |
| C-115° 120x60x20 | 120 | 60 | 20 | 2 | 4.2 |
| C-115° 120x60x20 | 120 | 60 | 20 | 2.5 | 5.25 |
| C-115° 120x60x20 | 120 | 60 | 20 | 3 | 6.3 |
| C-115° 150x60x21 | 150 | 60 | 21 | 2.5 | 5.88 |
| C-115° 150x60x21 | 150 | 60 | 21 | 3 | 7.05 |
